汽车安全与节能学报 ›› 2024, Vol. 15 ›› Issue (6): 875-885.DOI: 10.3969/j.issn.1674-8484.2024.06.009
罗勇1,2(
), 李莉莎1(
), 韦永恒1, 李豪1, 孙强2
收稿日期:2023-10-20
修回日期:2024-07-09
出版日期:2024-12-31
发布日期:2025-01-01
作者简介:罗勇(1983—),男(汉),四川,副教授。E-mail:cquluo@126.com。基金资助:
LUO Yong1,2(
), LI Lisha1(
), WEI Yongheng1, LI Hao1, SUN Qiang2
Received:2023-10-20
Revised:2024-07-09
Online:2024-12-31
Published:2025-01-01
摘要:
为保证P2.5插电式混合动力系统(PHPS)由纯电驱动模式向发动机驱动模式切换过程的平稳性,对该模式切换过程中双动力源和双离合器(DCT)动态协调控制策略开展研究,并搭建系统模型对控制效果进行仿真分析。将P2.5-PHPS纯电至发动机驱动模式切换过程划分为不同阶段,建立系统多阶段模式切换过程动力学模型。利用P2.5驱动电机扭矩响应快速的优势,补偿发动机和离合器扭矩响应滞后引起的波动,结合驾驶员操作意图,制定模式切换过程各阶段的发动机、电机及离合器动态协调控制策略。搭建系统模型进行仿真分析,结果表明:在纯电至发动机模式切换过程中,整车最大纵向冲击度不超过5 m/s3,离合器滑磨功控制在3 kJ内,满足平顺性要求。
中图分类号:
罗勇, 李莉莎, 韦永恒, 李豪, 孙强. 考虑驾驶意图的P2.5-PHPS纯电与发动机切换协调控制[J]. 汽车安全与节能学报, 2024, 15(6): 875-885.
LUO Yong, LI Lisha, WEI Yongheng, LI Hao, SUN Qiang. Dynamic coordinated control of P2.5 plug-in hybrid configuration from pure electric to engine mode switching process considering driver’s intention[J]. Journal of Automotive Safety and Energy, 2024, 15(6): 875-885.
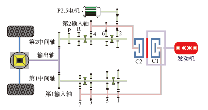
| 工作模式 | 档 | 动力源 | 双离合器 | |||
|---|---|---|---|---|---|---|
| 纯电动 | — | 发动机 | P2.5电机 | C1 | C2 | |
| 发动机 | 偶数 | 不工作 | 工作 | 分离 | 分离 | |
| 工作 | 不工作 | 分离 | 接合 | |||
| 混合动力 | 奇数 | 工作 | 不工作 | 接合 | 分离 | |
| 偶数 | 工作 | 工作 | 分离 | 接合 | ||
| 行车充电 | 奇数 | 工作 | 工作 | 接合 | 分离 | |
| 偶数 | 工作 | 工作 | 分离 | 接合 | ||
| 工作模式 | 档 | 动力源 | 双离合器 | |||
|---|---|---|---|---|---|---|
| 纯电动 | — | 发动机 | P2.5电机 | C1 | C2 | |
| 发动机 | 偶数 | 不工作 | 工作 | 分离 | 分离 | |
| 工作 | 不工作 | 分离 | 接合 | |||
| 混合动力 | 奇数 | 工作 | 不工作 | 接合 | 分离 | |
| 偶数 | 工作 | 工作 | 分离 | 接合 | ||
| 行车充电 | 奇数 | 工作 | 工作 | 接合 | 分离 | |
| 偶数 | 工作 | 工作 | 分离 | 接合 | ||
| 整车质量 | 1.580 t |
|---|---|
| 轮胎半径 | 0.308 m |
| 滚阻因数 | 0.015 |
| 风阻因数 | 0.310 |
| 迎风面积 | 2.226 m2 |
| 发动机峰值扭矩 | 80 Nm |
| 发动机峰值功率 | 45 kW |
| 电机峰值扭矩 | 172 Nm |
| 电机峰值功率 | 80 kW |
| 发动机一档到轮端速比 | 13.950 |
| 发动机二档到轮端速比 | 7.466 |
| 驱动电机二档到轮端速比 | 8.245 |
| 整车质量 | 1.580 t |
|---|---|
| 轮胎半径 | 0.308 m |
| 滚阻因数 | 0.015 |
| 风阻因数 | 0.310 |
| 迎风面积 | 2.226 m2 |
| 发动机峰值扭矩 | 80 Nm |
| 发动机峰值功率 | 45 kW |
| 电机峰值扭矩 | 172 Nm |
| 电机峰值功率 | 80 kW |
| 发动机一档到轮端速比 | 13.950 |
| 发动机二档到轮端速比 | 7.466 |
| 驱动电机二档到轮端速比 | 8.245 |
| [1] | 王泽鹏. 我国节能与新能源汽车发展战略与对策[J]. 内燃机与配件, 2021(1): 154-155. |
| WANG Zhepeng. Development strategies and countermeasures of energy saving and new energy vehicles in China[J]. Inte Comb Engi Part, 2021(1): 154-155. (in Chinese) | |
| [2] | 徐金梅. 插电式混合动力汽车性能研究及发展前景分析[J]. 装备维修技术, 2023(2): 11-16. |
| XV Jinmei. Performance research and development prospect analysis of plug in hybrid electric vehicles[J]. Equip Tech, 2023(2): 11-16. (in Chinese) | |
| [3] | Goetz M, Levesley M C, Crolla D A. Dynamics and control of gearshifts on twin-clutch transmissions. Proceedings of the institution of mechanical engineers, Part D[J]. J Autom Engineering, 2005, 219(8): 951-963. |
| [4] | 郭政, 秦大同, 李盛炜, 等. 考虑DCT车辆起步过程离合器接合稳定性的双质量飞轮参数优化[J]. 振动与冲击, 2023, 42(14): 162-169+219. |
| GUO Zheng, QIN Datong, LI Shengwei, et al. Parameter optimization of dual-mass flywheel considering the clutch engagement stability during the DCT vehicle starting process[J]. Vibr Shock, 2023, 42(14): 162-169+219. (in Chinese) | |
| [5] | 郝洪涛, 马辉. 湿式双离合器换挡优化控制[J]. 机械科学与技术, 2022, 41(6): 936-947. |
| HAO Hongtao, MA Hui. Wet dual-clutch transmission shift optimization control[J]. Mech Sci Tech, 2022, 41(6): 936-947. (in Chinese) | |
| [6] | LIU Bo, ZHANG Xingui, SHI Xinglei, et al. Wet Dual-Clutch Drag Torque Algorithm and Its Application[J]. Chin Mech Engi, 2022, 33(15): 1882-1889. |
| [7] | YANG Chao, SONG Jian, LI Liang, et al. Economical launching and accelerating control strategy for a single-shaft parallel hybrid electric bus[J]. Mech Syst Sign Proc, 2016, 76: 649-664. |
| [8] | 姜赟涛. 基于P2构型PHEV的模式切换过程平顺性研究[D]. 长春: 吉林大学, 2020. |
| JIANG Yuntao. Research on the mode switching smoothness of P2 configuration PHEV[D]. Changchun: Jilin University, 2020. (in Chinese) | |
| [9] | 岳芸鹏, 黄英, 曾雯文, 等. 基于P2.5构型的混合动力汽车模式切换动态协调控制策略[J]. 汽车工程学报, 2020, 10(3): 170-179. |
| YUE Yunpeng, HUANG Ying, ZENG Wenwen, et al. Dynamic coordination control strategy for mode switching of hybrid electric vehicles based on P2.5 configuration[J]. J Autom Engi, 2020, 10(3): 170-179. (in Chinese) | |
| [10] | ZHAO Zhiguo, LEI Dan, CHEN Jiayi, et al. Optimal control of mode transition for four-wheel-drive hybrid electric vehicle with dry dual-clutch transmission[J]. Mech Syst Sig Proc, 2018, 105: 68-89. |
| [11] | 赵彬, 宁甲奎, 周达, 等. P2混合动力离合器辅助发动机起动控制方法研究[J]. 汽车技术, 2018, 12: 23-27. |
| ZHAO Bin, NING Jiakui, ZHOU Da, et al. Research on P2 hybrid clutch-assisted engine start control method[J]. Autom Tech, 2018, 12: 23-27. (in Chinese) | |
| [12] | 赵治国, 黄琪琪, 倪润宇. 串并联混合动力系统自适应模式切换优化控制[J]. 同济大学学报(自然科学版), 2023, 51(6): 943-953. |
| ZHAO Zhiguo, HUANG Qiqi, NI Runyu. Adaptive mode switching optimization control of series-parallel hybrid powertrain system[J]. J Tongji Univ (Nat Sci Ed), 2023, 51(6): 943-953. (in Chinese) | |
| [13] |
刘金刚, 肖培杰, 傅兵, 等. 并联式混合动力汽车模式切换控制策略研究[J]. 中国公路学报, 2020, 33(8): 42-50.
doi: 10.19721/j.cnki.1001-7372.2020.08.005 |
| LIU Jingang, XIAO Peijie, FU Bing, et al. Research on mode switching control strategy of parallel hybrid electric vehicles[J]. Chin J Highw Transport 2020, 33(8): 42-50. (in Chinese) | |
| [14] | HE Ren, TIAN Xiang, NI Yunlei, et al. Mode transition coordination control for parallel hybrid electric vehicle based on switched system[J]. Adva Mech Eng, 2017, 9(8): 2936-2949. |
| [15] | 王伟华, 王文楷, 冯博, 等. 并联式混合动力汽车驱动模式切换协调控制方法[J]. 交通运输工程学报, 2017, 17(2): 90-97. |
| WANG Weihua, WANG Wenkai, FENG Bo, et al. Coordinated control method for drive mode switching of parallel hybrid electric vehicles[J]. J Traf Transport Engi, 2017, 17(2): 90-97. (in Chinese) | |
| [16] | SONG Shuzhong, GUAN Yuxue, FU Zhumu, et al. Switching control from motor driving mode to hybrid driving mode for PHEV[C]// Chin Automation Congress (CAC), 2017: 4209-4214. |
| [17] | 张渊博, 王伟达, 项昌乐, 等. 基于模型预测控制的混合动力汽车模式切换中的转矩协调控制策略[J]. 汽车工程, 2018, 40(9): 1040-1047. |
| ZHANG Yuanbo, WANG Weida, XIANG Changle, et al. Torque coordination control strategy in mode switching of hybrid electric vehicles based on model predictive control[J]. Autom Engineering, 2018, 40(9): 1040-1047. (in Chinese) | |
| [18] | WANG Qi, JIN Lijiang. Simulation research on driving mode switching of parallel hybrid electric vehicle[C]// China Society of Automotive Engineers, 2017: 12-23. |
| [19] | SUN Jing, XING Guojing, ZHANG Chenghui. Data-driven predictive torque coordina-tion control during mode transition process of hybrid electric vehicles[J]. Energies, 2017, 10(4): 441-462. |
| [20] | Oh J, Choi S B, Chang Y J, et al. Engine clutch torque estimation for parallel-type hybrid electric vehicles[J]. Int’l J Autom Tech, 2017, 18: 125-135. |
| [21] | LIN Yupei, QIN Datong, HU Minghui. Torque coordination control strategy in engine startup process for a single motor hybrid electric vehicle[J]. Int’l J Elect Hybrid Vehi, 2018, 10: 177-196. |
| [22] | 严正峰, 蒋光宗, 姚明尧. 驱动系统效率最优的并联混合动力商用车模式切换及换挡控制策略[J]. 中国机械工程, 2024, 35(2): 354-363. |
| YAN Zhengfeng, JIANG Guangzong, YAO Mingyao. Mode switching and gearshift control strategy for parallel hybrid commercial vehicles with optimal drive system effi-ciency[J]. Chin Mech Eng, 2024, 35(2): 354-363. (in Chinese) |
| [1] | 韩勇, 孟昕, 潘迪, 吴贺, 石金明, 张悦苁. 视觉障碍下十字路口电动两轮车事故特征和典型场景分析[J]. 汽车安全与节能学报, 2023, 14(6): 664-670. |
| [2] | 张道文, 雷毅, 任耀, 汤楷文, 董鑫驰, 罗晶, 胡文浩. 基于人—车碰撞事故重建的行人下肢动力学响应与损伤生物力学分析[J]. 汽车安全与节能学报, 2023, 14(6): 671-680. |
| [3] | 武和全, 周惠来, 李羿辉, 胡林. 汽车正面碰撞中后排不同坐姿乘员损伤生物力学分析[J]. 汽车安全与节能学报, 2023, 14(6): 688-697. |
| [4] | 黄新朝, 张毅. 基于百度地图API的纯电动汽车未来行驶能耗预测[J]. 汽车安全与节能学报, 2023, 14(6): 715-722. |
| [5] | 段京良, 陈良发, 王文轩, 焦春绚, 刘征宇, 马飞, 李升波. 智能汽车主动避撞工况的高实时预测控制[J]. 汽车安全与节能学报, 2023, 14(5): 580-590. |
| [6] | 李海岩, 胡静, 贺丽娟, 吕文乐, 崔世海, 阮世捷. 正面100%碰撞试验中后排小身材女性乘员损伤分析[J]. 汽车安全与节能学报, 2023, 14(4): 421-430. |
| [7] | 李子添, 李彬, 霍珅扬, 张晶, 吕小侠. 考虑动能回收的电动客车长下坡制动盘温升状态[J]. 汽车安全与节能学报, 2023, 14(3): 274-281. |
| [8] | 史启通, 冯聪, 李冰, 张存满, 明平文. 气体扩散层变形模量与脊槽转角半径优化设计[J]. 汽车安全与节能学报, 2023, 14(1): 98-105. |
| [9] | 孙超, 刘波, 孙逢春. 新能源汽车节能规划与控制技术研究综述[J]. 汽车安全与节能学报, 2022, 13(4): 593-616. |
| [10] | 杨震, 王兴昌, 管立君, 孙海云, 范宇坤, 祝贺, 周大永, 谷先广. 中国乘用车乘员高危事故场景研究[J]. 汽车安全与节能学报, 2022, 13(4): 659-666. |
| [11] | 邹铁方, 赵云龙, 肖璟, 李艳春. 耦合气囊及制动控制对人地碰撞损伤的防护及效果评估[J]. 汽车安全与节能学报, 2022, 13(3): 438-445. |
| [12] | 牛成勇, 吴昆伦, 周祥祥, 苏占领, 胡雄. 不同光照不同偏置率碰撞场景的AEB系统测试与评价[J]. 汽车安全与节能学报, 2022, 13(2): 269-275. |
| [13] | 于璐, 唐亮, 魏凌涛, 刘子俊. 基于机器学习的间接式胎压监测算法研究[J]. 汽车安全与节能学报, 2022, 13(2): 290-299. |
| [14] | 鲁大钢, 衣丰艳, 胡东海, 程善. 考虑PEMFC动态降载特性的FCV制动能量回收协调控制[J]. 汽车安全与节能学报, 2022, 13(2): 350-357. |
| [15] | 王志豪, 张新华, 吴慧珉, 刘超辉, 王兆文, 黄荣华, 李顶根, 王志. 微波辅助点火对CO2稀释甲烷燃烧的影响[J]. 汽车安全与节能学报, 2022, 13(1): 149-156. |
| 阅读次数 | ||||||
|
全文 |
|
|||||
|
摘要 |
|
|||||