欢迎访问《汽车安全与节能学报》,

汽车安全与节能学报 ›› 2023, Vol. 14 ›› Issue (3): 355-364.DOI: 10.3969/j.issn.1674-8484.2023.03.011

• 智能驾驶与智慧交通 • 上一篇    下一篇

复杂环境下多传感器信息融合的无人驾驶汽车智能悬架自动控制方法

丁鹏1,2(), 邹晔1,2(), 郭祥龙1, 陈珣1, 鲁福硕1   

  1. 1.无锡职业技术学院,无锡214121,中国
    2.江苏省新能源汽车节能与电池安全工程研究中心,无锡 214121,中国
  • 收稿日期:2023-03-01 修回日期:2023-05-16 出版日期:2023-06-30 发布日期:2023-07-11
  • 通讯作者: *邹晔 (1975—),男(汉),江苏,教授。E-mail:zouye@wxit.edu.cn
  • 作者简介:丁鹏 (1983—),男(汉),江苏,副教授。E-mail:907245182@qq.com
  • 基金资助:
    江苏省高校青蓝工程项目(2023)

An automatic control method for semi-active suspension of driverless vehicle based on multi-sensor information fusion in complex environment

DING Peng1,2(), ZOU Ye1,2(), GUO Xianglong1, CHEN Xun1, LU Fushuo1   

  1. 1. WUXI Institute of Technology, Wuxi 214121, China
    2. Jiangsu New Energy Vehicle Energy Conservation and Battery Safety Engineering Research Center, Wuxi 214121, China
  • Received:2023-03-01 Revised:2023-05-16 Online:2023-06-30 Published:2023-07-11

摘要:

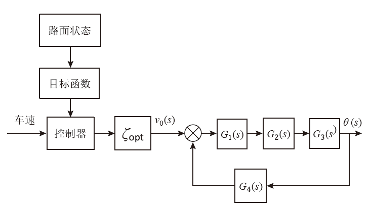
为提高无人驾驶汽车在破损和小型障碍物路面行驶的安全性和平顺性,提出了一种基于多传感器信息融合的半主动悬架控制方法。建立考虑多传感器信息融合的汽车1/4悬架振动模型,揭示路面不平信息与汽车振动量之间的关系;利用摄像头和雷达波扫描并识别不平路面状况,创建路面不平度数学模型,通过检测边缘交并比和图神经网络(GNN)算法对不平路面进行信息融合和匹配,得到复杂环境下可信度较高的路面不平数学模型;提出利用车速和路面不平信息计算半主动悬架最佳阻尼比,将悬架调节至该阻尼比以实时适应不同路面状况;开展典型路面输入工况下汽车平顺性试验,对比与分析不同悬架的振动加速度响应信号。结果表明:相同条件下多信息融合控制的无人驾驶悬架振动加速度最大峰值比被动悬架减少43%,验证了所提方法的优越性。

关键词: 无人驾驶汽车, 半主动悬架, 多传感器信息, 信息融合

Abstract:

A semi-active suspension control method based on multi-sensor information fusion was proposed to improve the safety and smoothness of driverless vehicles on damaged and small obstacles. A quarter suspension vibration model considering multi-sensor information fusion was established, revealing the relationship between road roughness information and vehicle vibration. The camera and radar wave were used to scan and identify the uneven road conditions, and a mathematical model of road roughness was created. The information fusion and matching of uneven road surface were carried out by detecting the edge intersection ratio and Graph Neural Network(GNN) algorithm, obtaining a more reliable mathematical model of uneven road surface in complex environment. It is proposed to calculate the optimal damping ratio of semi-active suspension using the information of vehicle speed and road roughness, and to adjust the suspension to this damping ratio to adapt to different road conditions in real time. The vehicle ride comfort test under typical road input conditions was carried out, and the vibration acceleration time domain response signals of different suspensions were compared and analyzed. The results show that the maximum peak vibration acceleration of the unmanned suspension controlled by multiple information fusion is reduced by 43% comparing with that in the passive suspension under the same conditions, which verifies the superiority of the proposed method.

Key words: driverless vehicle, semi-active suspension, multi-sensor information, information fusion

中图分类号: