汽车安全与节能学报 ›› 2024, Vol. 15 ›› Issue (3): 360-367.DOI: 10.3969/j.issn.1674-8484.2024.03.009
收稿日期:2023-11-10
修回日期:2023-11-29
出版日期:2024-06-30
发布日期:2024-07-01
通讯作者:
*许敏,教授。E-mail:作者简介:尹鹏(1987—),男(汉),陕西,博士研究生。E-mail:ypspeed@163.com。
基金资助:Received:2023-11-10
Revised:2023-11-29
Online:2024-06-30
Published:2024-07-01
摘要:
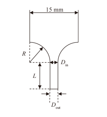
研究了汽车直喷汽油机喷嘴的几何形状对于闪沸喷雾孔内流动以及相变过程的影响机理。基于热不平衡假设建立了一维的两相相变流动模型,对于具有不同喷孔流道长度、直径、入口处圆角以及流道锥角的结构,分析了闪沸喷雾孔内流动的特性。将该模型结果与作者团队先前的实验结果进行了精度比对,验证了模型的准确性。结果表明:喷孔流道长度越长,孔径越小,从而孔内相变越剧烈。流道入口处圆角会减少喷孔内部蒸汽的生成。收缩型喷孔压降较小,孔内蒸汽相的生成也相应减少,从而扩张型喷嘴增大蒸汽产生速率。不同的喷孔结构,改变了流道内的压力以及速度分布;压力分布影响了气泡的生长速率,速度分布影响了气泡的生长时间,而两者共同作用影响了孔内的相变特性。
中图分类号:
尹鹏, 许敏. 闪沸喷雾孔几何形状对孔内流动特性影响的数值模拟[J]. 汽车安全与节能学报, 2024, 15(3): 360-367.
YIN Peng, XU Min. Numerical simulation of the effects of nozzle geometry on the in-nozzle flow-characteristics of flash boiling sprays[J]. Journal of Automotive Safety and Energy, 2024, 15(3): 360-367.
| 参数 | 液相 | 气相 |
|---|---|---|
| 液相修正压强,p∞ / MPa | 181.96 | 0.00 |
| 定容比热,cv / [kJ·(kg·K)-1] | 1.902 | 1.477 |
| 比热比,γ | 1.368 | 1.074 |
| 修正比体积,b / (cm3·g-1) | 0.439 | 0.00 |
| 修正焓, q / (kJ·kg-1) | -806.99 | -132.82 |
| 修正熵, q' / [kJ·(kg·K)-1] | 0.00 | -5.064 |
| 参数 | 液相 | 气相 |
|---|---|---|
| 液相修正压强,p∞ / MPa | 181.96 | 0.00 |
| 定容比热,cv / [kJ·(kg·K)-1] | 1.902 | 1.477 |
| 比热比,γ | 1.368 | 1.074 |
| 修正比体积,b / (cm3·g-1) | 0.439 | 0.00 |
| 修正焓, q / (kJ·kg-1) | -806.99 | -132.82 |
| 修正熵, q' / [kJ·(kg·K)-1] | 0.00 | -5.064 |
| [1] | Husted H, Spegar T D, Spakowski J. The effects of GDI fuel pressure on fuel economy[R]. SAE Tech Paper, 2014-01-1438. |
| [2] |
JIANG Changzhao, Parker M C, Helie J, et al. Impact of gasoline direct injection fuel injector hole geometry on spray characteristics under flash boiling and ambient conditions[J]. Fuel, 2019, 241: 71-82.
doi: 10.1016/j.fuel.2018.11.143 |
| [3] | Lee S, Park S. Spray atomization characteristics of a GDI injector equipped with a group-hole nozzle[J]. Fuel, 2014, 137: 50-59. |
| [4] | LUO Hongliang, Uchitomi S, Watanabe T, et al. Effects of nozzle hole diameter and injection pressure on fuel adhesion of flat-wall impinging Spray[R]. SAE Tech Paper, 2019-01-2246. |
| [5] | Moon S, Komada K, Sato K, et al. Ultrafast X-ray study of multi-hole GDI injector sprays: Effects of nozzle hole length and number on initial spray formation[J]. Expe Therm Fluid Sci, 2015, 68: 68-81. |
| [6] | Shost M A, Lai Mingchia, Befrui B, et al. GDI nozzle parameter studies using LES and spray imaging methods[R]. SAE Tech Paper, 2014-01-1434. |
| [7] | WU Shengqi, XU Min, Hung L S D, et al. Near-nozzle spray and spray collapse characteristics of spark-ignition direct-injection fuel injectors under sub-cooled and superheated conditions[J]. Fuel, 2016, 183: 322-334. |
| [8] | Rachakonda S K, Paydarfar A, Schmidt D. Single-hole asymmetric GDI injector: influence of the drill angle and the counter-bore under flash-boiling and non-flash-boiling conditions[J]. SAE Int’l J Engines, 2018, 11(6): 1031-1048. |
| [9] | Oh H, Lee J, Han S, et al. Effect of injector nozzle hole geometry on particulate emissions in a downsized direct injection gasoline engine[R]. SAE Tech Paper, 2017-24-0111. |
| [10] | GUAN Wei, HE Zhixia, ZHANG Liang, et al. Investigations on interactions between vortex flow and the induced string cavitation characteristics in real-size diesel tapered-hole nozzles[J]. Fuel, 2021, 287: Paper No 119535. |
| [11] | Moon S, Huang Weidi, Wang Jin. Spray formation mechanism of diverging-tapered-hole GDI injector and its potentials for GDI engine applications[J]. Fuel, 2020, 270: Paper No 117519. |
| [12] | TANG Chenglong, FENG Zehao, ZHAN Cheng, et al. Experimental study on the effect of injector nozzle K factor on the spray characteristics in a constant volume chamber: Near nozzle spray initiation, the macroscopic and the droplet statistics[J]. Fuel, 2017, 202: 583-594. |
| [13] | Hwang J, Park Y, Bae C, et al. Fuel temperature influence on spray and combustion characteristics in a constant volume combustion chamber (CVCC) under simulated engine operating conditions[J]. Fuel, 2015, 160: 424-433. |
| [14] | ZENG Wei, XU Min, ZHANG Gaoming, et al. Atomization and vaporization for flash-boiling multi-hole sprays with alcohol fuels[J]. Fuel, 2012, 95: 287-297. |
| [15] | ZHANG Gaoming, XU Min, ZHANG Yuyin, et al. Macroscopic characterization of flash-boiling multihole sprays using planar laser-induced exciplex fluorescence. Part II: Cross-sectional spray structure[J]. Atomization and Sprays, 2013, 23(3): 265-278. |
| [16] | WU Shengqi, XU Min, Hung L S D, et al. Effects of nozzle configuration on internal flow and primary jet breakup of flash boiling fuel sprays[J]. Int’l J Heat Mass Transfer, 2017, 110: 730-738. |
| [17] | YANG Shangze, ZHAI Qiaozhi, LI Xuesong, et al. Flash boiling fuel initial disturbance in a transparent step-hole nozzle and its effect on external flows[J]. Fuel, 2020, 274: Paper No 117768. |
| [18] | WANG Shangning, XIAO Di, QIU Shuyi, et al. The effects of nozzle taper angle on in-nozzle flow and nozzle tip-wetting under flash boiling conditions[J]. Fuel, 2022, 329: Paper No 125348. |
| [19] | MIAO Junjie, FAN Yuxin, WU Weiqiu. Effects of nozzle configuration on flash boiling fuel sprays of twin-orifice nozzle with aviation kerosene[J]. Int’l J Heat Mass Transfer, 2021, 174: Paper No 121335. |
| [20] | Salvador F J, Jaramillo D, Romero J V, et al. Using a homogeneous equilibrium model for the study of the inner nozzle flow and cavitation pattern in convergent-divergent nozzles of diesel injectors[J]. J Compu Appl Math, 2017, 309: 630-641. |
| [21] | Downar-Zapolski P, Bilicki Z, Bolle L, et al. The non-equilibrium relaxation model for one-dimensional flashing liquid flow[J]. Int’l J Multiphase Flow, 1996, 22(3): 473-483. |
| [22] | Barret M, Faucher E, Herard J-M. Schemes to compute unsteady flashing flows[J]. AIAA J, 2002, 40(5): 905-913. |
| [23] | Negro S, Bianchi G M. Superheated fuel injection modeling: An engineering approach[J]. Int’l J Therm Sci, 2011, 50(8): 1460-1471. |
| [24] | Schmidt D P, Gopalakrishnan S, Jasak H. Multi-dimensional simulation of thermal non-equilibrium channel flow[J]. Int’l J Multiphase Flow, 2010, 36(4): 284-292. |
| [25] | Neroorkar K, Gopalakrishnan S, Grover Jr R O, et al. Simulation of flash boiling in pressure swirl injectors[J]. Atomization and Sprays, 2011, 21(2): 179-188. |
| [26] | Bianchi G M, Negro S, Forte C, et al. The prediction of flash atomization in GDI multi-hole injectors[R]. SAE Tech Paper, 2009-01-1501. |
| [27] | Rachakonda S K, Wang Y, Grover R O, et al. A computational approach to predict external spray characteristics for flashing and cavitating nozzles[J]. Int’l J Multiphase Flow, 2018, 106: 21-33. |
| [28] | YIN Peng, YANG Shangze, LI Xuesong, et al. Numerical simulation of in-nozzle flow characteristics under flash boiling conditions[J]. Int’l J Multiphase Flow, 2020, 127: Paper No 103275. |
| [29] | Faucher E, Herardc J M, Barret M, et al. Computation of flashing flows in variable cross-section ducts[J]. Int’l J Compu Fluid Dyn, 2000, 13(4): 365-391. |
| [30] | Gallouet T, Masella J-M. On an approximate Godunov scheme[J]. Comptes Rendus de l’Acad des Sci Serie I: Mathematique, 1996, 323(1): 77-84. (in French). |
| [31] | Masella J M, Faille I, Gallouët T. On a rough Godunov scheme[J]. Int’l J Compu Fluid Dyn, 1999, 12: 133-149. |
| [32] | Buffard T, Gallouët T, Hérard J-M. A sequel to a rough Godunov scheme: Application to real gases[J]. Computers Fluids, 2000, 29(7): 813-847. |
| [33] | Wirth K E, Rossmeissl M. Critical mass-flow in orifice-nozzles at the disintegration of superheated liquids[C]// ASME 2006 2nd Joint US-Euro Fluids Eng Summ Meeting Collo, 4th Int'l Conf Nuclear Engineering, 2006: 1381-1388. |
| [34] | Le Métayer O, Saurel R. The Noble-Abel stiffened-gas equation of state[J]. Phys Fluids, 2016, 28(4): Paper No 046102. |
| [35] | Lemmon E W, Huber M L, Mclinden M O. NIST standard reference database 23: Reference fluid thermodynamic and transport properties-REFPROP, version 9.0[S]. NIST NSRDS, (Nat Std Ref Data Series, National Institute of Standards and Technology, Gaithersburg, MD, USA), 2010. |
| [1] | 王健俊, 陈豪, 付元承. 基于集成学习与数据驱动的电动汽车动力电池多维度故障预警[J]. 汽车安全与节能学报, 2024, 15(3): 368-378. |
| [2] | 宋波, 孙凯, 车志钊, 陈锐, 刘怀宇, 任美林, 王天友. 能量管理策略对燃料电池客车热管理系统性能的影响[J]. 汽车安全与节能学报, 2022, 13(3): 526-534. |
| [3] | 蔡森林, 魏名山, 宋盼盼, 魏洪革. 基于直流道液冷板的动力电池冷却性能仿真[J]. 汽车安全与节能学报, 2021, 12(3): 380-385. |
| [4] | 陈宇瑶, 魏明锐. 甲烷内部重整的固体氧化物燃料电池三维多物理场数值模拟[J]. 汽车安全与节能学报, 2021, 12(2): 243-250. |
| [5] | 任烁今, 张明, 郭勇, 颜燕, 王志, 王建昕. 压缩比对双燃料发动机中高负荷影响的试验和模拟[J]. 汽车安全与节能学报, 2020, 11(4): 518-528. |
| [6] | 何平, 阮浩达, 梅加化, 王丛洋, 李赵洋. 微喷引燃条件下双燃料喷油器针阀的冷却策略[J]. 汽车安全与节能学报, 2020, 11(3): 406-412. |
| [7] | 李亮, 王翔宇, 程硕, 陈翔, 黄超, 平先尧, 魏凌涛. 汽车底盘线控与动力学域控制技术[J]. 汽车安全与节能学报, 2020, 11(2): 143-160. |
| [8] | 陈 虎, 贾 宁, 刘小平, 刘永亮, 李泽峰, 胡国锐. 深度 Miller循环在增压直喷汽油机上的仿真和试验[J]. 汽车安全与节能学报, 2019, 10(3): 366-373. |
| [9] | 韩志玉,吴振阔,高晓杰 . 汽车动力变革中的内燃机发展趋势[J]. JASE, 2019, 10(2): 146-160. |
| [10] | 徐 政,龚伟国,Scholten I,等. 车用1.5 L 涡轮增压直喷汽油发动机开发[J]. JASE, 2018, 9(3): 339-351. |
| [11] | 陈沛,陈雪松. 车用质子交换膜燃料电池系统-10℃低温启动实验研究[J]. JASE, 2016, 07(04): 427-432. |
| [12] | 李超,张 聪,侯俊才,吴筱敏. 直交流电场对甲烷—空气预混球形扩展火焰的影响[J]. JASE, 2016, 07(01): 78-85. |
| [13] | 危银涛,冯希金,冯启章,刘源,何园. 轮胎动态模型研究的进展[J]. 汽车安全与节能学报, 2014, 5(04): 311-323. |
| [14] | 王栋,王亚军,施欲亮,吴沈荣,赵正,吴特. 汽车夹层风挡玻璃的数值模拟和试验验证[J]. 汽车安全与节能学报, 2014, 5(03): 263-269. |
| [15] | 刘永峰, 贾晓社, 裴普成, 卢勇. 用液氧固碳技术的内燃机富氧燃烧数值模拟和试验[J]. 汽车安全与节能学报, 2014, 5(01): 76-82. |
| 阅读次数 | ||||||
|
全文 |
|
|||||
|
摘要 |
|
|||||
