欢迎访问《汽车安全与节能学报》,

汽车安全与节能学报 ›› 2024, Vol. 15 ›› Issue (5): 783-794.DOI: 10.3969/j.issn.1674-8484.2024.05.016

• 智能驾驶与智慧交通 • 上一篇    

港口自动驾驶集卡动力学模型构建研究

谢震1(), 周国峰1, 邬明宇2, 曹守启1,*()   

  1. 1.上海海洋大学工程学院,上海 201306,中国
    2.上海交通大学,上海 200240,中国
  • 收稿日期:2024-02-19 修回日期:2024-05-14 出版日期:2024-10-31 发布日期:2024-11-07
  • 通讯作者: 曹守启,教授。E-mail:sqcao@shou.edu.cn
  • 作者简介:谢震(1998—),男(汉),江西,硕士研究生。E-mail: m210801346@st.shou.edu.cn
  • 基金资助:
    智能绿色车辆与交通全国重点实验室开放基金课题(FY2408)

Research on dynamic modeling of port autonomous driving truck

XIE Zhen1(), ZHOU Guofeng1, WU Mingyu2, CAO Shouqi1,*()   

  1. 1. School of Engineering, Shanghai Ocean University, Shanghai 201306, China
    2. School of Vehicle and Delivery, Tsinghua University, Shanghai 100084, China
  • Received:2024-02-19 Revised:2024-05-14 Online:2024-10-31 Published:2024-11-07

摘要:

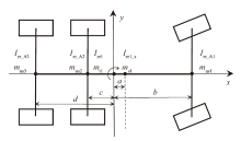
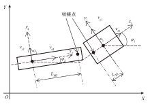
为了满足自动驾驶仿真测试的高精度集卡模型要求,面向自动驾驶集卡提出了一种子系统耦合的牵引车-挂车铰接动力学建模方法。基于牵引车-挂车铰接关系,对集卡进行精确的运动学描述;根据集卡牵引车-挂车间运动学关系,利用牛顿力学分别建立了牵引车、挂车的动力学模型;考虑自动驾驶集卡仿真测试的控制需求,分别对驱动、制动、轮胎、转向、空气动力子系统进行描述。针对集卡装载质量的可变性,对集卡质心位置和转动惯量进行计算,得到了轮胎垂直载荷,完成了整车子系统耦合的动力学模型构建;并分别在急刹和双移线工况下进行数值仿真。面向港口环境,基于集卡动力学模型建立了虚拟仿真系统。 结果表明:在急刹和双移线工况下,与TruckSim进行精度对比,测试结果RMSE均在0.05以下;港口环境下路径跟踪测试的最大偏差小于0.6 m;表明该方法能够对集卡在不同工况下的动态响应进行精准表述。

关键词: 自动驾驶, 集卡, 港口, 运动学, 动力学

Abstract:

A subsystem-coupled tractor-trailer articulation dynamic modeling method for autonomous driving trucks was proposed to meet the high-precision tractor-trailer articulation dynamic modeling requirements for autonomous driving simulation testing. Firstly, based on the tractor-trailer articulation relationship, an accurate kinematic description of trucks was carried out. According to the kinematic relationship between the tractor and trailer of autonomous driving trucks, the lateral, longitudinal, and yaw dynamics models of the tractor and trailer were established using Newtonian mechanics. Considering the control requirements of autonomous driving simulation testing, the drive, brake, tire, steering, and aerodynamic subsystems were described separately. Secondly, considering the variability of the loading quality of trucks, the position of the center of mass and the moment of inertia of the truck were calculated, and the vertical load of the tire was obtained based on assumptions, completing the construction of the coupled dynamics model of the entire subsystem. And numerical simulations were conducted under emergency braking and double shift line conditions. The accuracy was compared with TruckSim. Aiming at the port environment, a virtual simulation system was established based on the truck dynamics model. The results show that the RMSE is below 0.05 when the accuracy was compared with TruckSim; Under the port environment, the maximum deviation in path tracking testing was less than 0.6 m, indicating that this method can accurately describe the dynamic response of the container truck under different operating conditions.

Key words: autonomous driving, container truck, port, kinematics, dynamics

中图分类号: